Precision planetary gearbox GPLE60
Suitable motor sizes
NEMA 23 (56 mm), NEMA 24 (60 mm), NEMA 34 (86 mm)
Rated output torque
15 - 44 Nm
Max. backlash
10´ ‑ 15´ (arc minutes)
Efficiency
51 - 98%
Possible reduction ratios
3 - 512

The low‑play planetary gearboxes for NEMA 23 (56 mm), NEMA 24 (60 mm) and NEMA 34 (86 mm) motors provide high running torques, high torsional stiffness, low circumferential backlash, high admissible axial and radial shaft loads and low running noise.
Technical data
Max. input speed
13 000 rpm
Admissible radial shaft Load
340 N
Admissible axial shaft Load
450 N
Protection class
IP54
Operation temperature
-25°C ... +90°C
Max. input speed
13 000 rpm
Admissible radial shaft Load
340 N
Admissible axial shaft Load
450 N
Protection class
IP54
Operation temperature
-25°C ... +90°C
Reduction ratios of precision planetary gearbox GPLE60
| Reduction ratio | Rated output torque, Nm | Max. output torque, Nm | Efficiency, % | Max. backlash, arc minutes | Moment of inertia, kg∙mm² | Length L1, mm | Length L, mm | Weight, kg | |
| NEMA 23 NEMA 24 | NEMA 34 | ||||||||
| 3 | 28 | 45 | 98 | 10 | 13.5 | 47 | 71 | 86 | 0.9 |
| 4 | 38 | 61 | 98 | 9.3 | |||||
| 5 | 40 | 64 | 98 | 7.8 | |||||
| 8 | 18 | 29 | 97 | 6.5 | |||||
| 10 | 15 | 24 | 96 | 6.5 | |||||
| 9 | 44 | 70 | 97 | 12 | 13.1 | 59.5 | 83.5 | 98.5 | 1.1 |
| 12 | 44 | 70 | 96 | 12.7 | |||||
| 15 | 44 | 70 | 96 | 7.7 | |||||
| 16 | 44 | 70 | 96 | 8.8 | |||||
| 20 | 44 | 70 | 96 | 7.5 | |||||
| 25 | 40 | 64 | 95 | 7.5 | |||||
| 32 | 44 | 70 | 95 | 6.4 | |||||
| 40 | 40 | 64 | 94 | 6.4 | |||||
| 64 | 18 | 29 | 87 | 6.4 | |||||
| 60 | 44 | 70 | 92 | 15 | 7.6 | 72 | 96 | 111 | 1.3 |
| 80 | 44 | 70 | 91 | 7.5 | |||||
| 100 | 44 | 70 | 89 | 7.5 | - | ||||
| 120 | 44 | 70 | 88 | 6.4 | |||||
| 160 | 44 | 70 | 86 | 6.4 | |||||
| 200 | 40 | 64 | 83 | 6.4 | |||||
| 256 | 44 | 70 | 81 | 6.4 | |||||
| 320 | 40 | 64 | 77 | 6.4 | |||||
| 512 | 18 | 29 | 51 | 6.4 | |||||
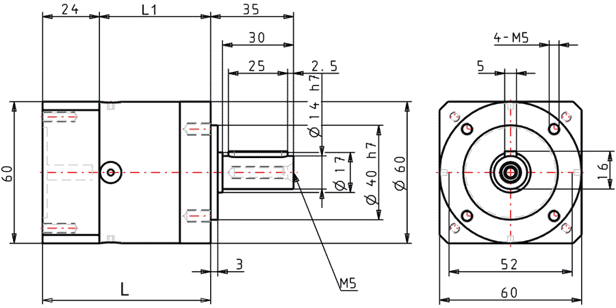
Dimensions of precision planetary gearbox GPLE60

Dimensions of GPLE60 for NEMA 23 and NEMA 24 motor sizes

Dimensions of GPLE60 for NEMA 34 motor size
Description of precision planetary gearbox GPLE60
The low‑play planetary gearboxes for NEMA 23 (56 mm), NEMA 24 (60 mm) and NEMA 34 (86 mm) motors provide high running torques, high torsional stiffness, low circumferential backlash, high admissible axial and radial shaft loads and low running noise.
Note: The spacer sleeve MK‑DH‑8‑11 must also be ordered if this gearbox will be attached to motors with an 8 mm shaft.
Downloads
Brief description
3D model GPLE60‑1S NEMA 23, NEMA 24 (for gear ratios 3‑10)
3D model GPLE60‑1S NEMA 34 (for gear ratios 3‑10)
3D model GPLE60‑2S NEMA 23, NEMA 24 (for gear ratios 9‑64)
3D model GPLE60‑2S NEMA 34 (for gear ratios 9‑64)
3D model GPLE60‑3S NEMA 23, NEMA 24 (for gear ratios 60‑512)
3D model GPLE60‑3S NEMA 34 (for gear ratios 60‑512)
Get a quote
Dear guest
Thanks for your message!
We will contact you as soon as possible.
Error
Something goes wrong.
Please try later.